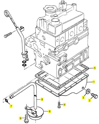
Perkins100發動機油底殼
項目 老件號 新件號 描述
1 110706850 1 110706850 油底殼
1 110707050 1 110706850 油底殼
2 010211216 2 010211216 堵塞
3 025100012 2 025100012 墊圈
4 010109235 20 010109235 螺絲
5 U10996900 1 U10996900 墊片 -油底殼
5 110996800 1 檢查歷史 墊片 -油底殼
5 110996900 1 U10996900 墊片 -油底殼
6 140986480 1 140987130 油管
7 052109076 1 052109076 密封 - O 的圈
8 140406270 1 140406270 過濾器
9 011310612 2 011310612 螺絲

溫馨提示
我司建立了一套完整的英國Perkins零配件供應體系,全天候快速響應,純正的Perkins配件是您最佳的選擇,因為您所得到的是延長Perkins動力系統壽命的最佳保證。
網頁中公布的Perkins發動機配件號與圖片僅為參考,因 Perkins動力系統零配件型號與技術參數太多,沒能全部展示,如有配件與維修技術資料方面的需求,請與本司的在線客服溝通與交流,希望我們能夠幫您節約更多等待備件時間和維修技術方面的困難。
特別聲明:我司只銷售Perkins原廠配件,需付廠或防品件請繞道,謝謝。