我們是專業的Perkins100柴油發動機凸輪軸傳動機構銷售服務商,想要了解更多的Perkins柴油發動機凸輪軸傳動機構類型和資料,請現在聯系我們!寧波日興動力科技有限公司
Perkins100柴油發動機凸輪軸傳動機構
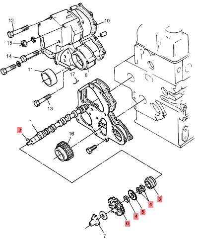
項目 老件號 新件號 描述
2 034100508 1 034100508 鍵
3 040109059 1 040109059 凸輪軸承瓦
4 199216320 1 U99216320
5 1 傳動機構
6 120016001 1 120016001 凸輪軸傳動機構

溫馨提示
我司建立了一套完整的英國Perkins零配件供應體系,全天候快速響應,純正的Perkins配件是您最佳的選擇,因為您所得到的是延長Perkins動力系統壽命的最佳保證。
網頁中公布的Perkins發動機配件號與圖片僅為參考,因 Perkins動力系統零配件型號與技術參數太多,沒能全部展示,如有配件與維修技術資料方面的需求,請與本司的在線客服溝通與交流,希望我們能夠幫您節約更多等待備件時間和維修技術方面的困難。
特別聲明:我司只銷售Perkins原廠配件,需付廠或防品件請繞道,謝謝。