Perkins100柴油發動機油泵惰輪
項目 老件號 新件號 描述
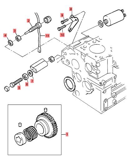
1 1 油泵惰輪傳動機構
2 131466060 1 131466060 螺絲
3 023100010 1 023100010 螺母
4 025100010 1 025100010 墊圈
5 010109271 1 010109271 螺絲
6 023100010 1 023100010 螺母
7 025100010 1 025100010 墊圈
8 199566651 1 199566651 板
9 011310612 1 011310612 螺絲
10 010700610 1 010700610 螺絲
11 198236030 1 198236030 金屬線

溫馨提示
我司建立了一套完整的英國Perkins零配件供應體系,全天候快速響應,純正的Perkins配件是您最佳的選擇,因為您所得到的是延長Perkins動力系統壽命的最佳保證。
網頁中公布的Perkins發動機配件號與圖片僅為參考,因 Perkins動力系統零配件型號與技術參數太多,沒能全部展示,如有配件與維修技術資料方面的需求,請與本司的在線客服溝通與交流,希望我們能夠幫您節約更多等待備件時間和維修技術方面的困難。
特別聲明:我司只銷售Perkins原廠配件,需付廠或防品件請繞道,謝謝。