我們是專業的Perkins100柴油發動機排氣岐管135616311銷售服務商,想要了解更多的Perkins100柴油發動機排氣岐管135616311類型和資料,請現在聯系我們!寧波日興動力科技有限公司
Perkins100柴油發動機排氣岐管
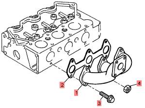
項目 老件號 新件號 描述
1 135616311 1 135616311 排氣岐管
1 135617110 1 135616311 排氣岐管
2 135996541 1 135996541 墊片 - 排出岐管
3 011310625 4 011310625 螺絲
4 023100006 2 023100006 螺母

溫馨提示
我司建立了一套完整的英國Perkins零配件供應體系,全天候快速響應,純正的Perkins配件是您最佳的選擇,因為您所得到的是延長Perkins動力系統壽命的最佳保證。
網頁中公布的Perkins發動機配件號與圖片僅為參考,因 Perkins動力系統零配件型號與技術參數太多,沒能全部展示,如有配件與維修技術資料方面的需求,請與本司的在線客服溝通與交流,希望我們能夠幫您節約更多等待備件時間和維修技術方面的困難。
特別聲明:我司只銷售Perkins原廠配件,需付廠或防品件請繞道,謝謝。