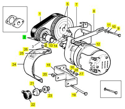
珀金斯Perkins 4012柴油發動機發電機702/186充電發電機
項次 零配件編號 最近的零配件編號 描述
1 702/186 1 702/186 充電發電機
1 702/184 1 702/186 充電發電機
(1) 半徑/702/186 1 半徑/702/186 充電發電機
Item Parts No. Qty. Latest Part No. Description Cut Out Cut In Comment
546/40 1 546/40 KEY
836/8 1 836/8 RESISTOR
Y94/00045 1 702/186 BRUSH KIT

項次 零配件編號 最近的零配件編號 描述
1 541/398 1 541/398
2 SE103C 1 SE103C 充電發電機皮帶輪
4 554/117 1 554/117 密封O型圈
5 SEV103 1 SEV103 輪轂
6 374/1280 1 374/1280 環
7 SEV323D/3 1 守衛
8 664/1544 1 664/1544 連桿
9 310071 1 310071 螺拴
10 318210 1 318210 彈簧墊片
11 318012 1 318012 墊圈
12 UFB106/14 S 1 UFB106/14 S 螺拴
13 N633P/3 1 N633P/3 螺帽
14 85/3 1 85/3 彈簧墊片
15 664/1482 1 664/1482 托架
16 316478 2 316478 圖釘
17 317012 2 317012 螺帽
18 318210 2 318210 彈簧墊片
19 UFB107/36 S 1 UFB107/36 S 螺拴
20 N633P/4 1 N633P/4 UNF 螺帽
21 782/96 1 壓力開關
22 471/28 1 471/28 綁腿
23 535/79 1 535/79 承接器
24 SEV323S/3 1 守衛
24 SEV323F/3 1 SEV323F/3 守衛
25 312037 3 312037 固定螺釘
26 318208 3 318208 彈簧墊片

溫馨提示
我司建立了一套完整的英國Perkins零配件供應體系,全天候快速響應,純正的Perkins配件是您最佳的選擇,因為您所得到的是延長Perkins動力系統壽命的最佳保證。
網頁中公布的Perkins發動機配件號與圖片僅為參考,因 Perkins動力系統零配件型號與技術參數太多,沒能全部展示,如有配件與維修技術資料方面的需求,請與本司的在線客服溝通與交流,希望我們能夠幫您節約更多等待備件時間和維修技術方面的困難。
特別聲明:我司只銷售Perkins原廠配件,需付廠或防品件請繞道,謝謝。