勞斯萊斯P80E發電機組CV20814氣門、OE47572氣門導管
Perkins3008 3012柴油機氣門、座圈、導管
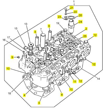
序號 零配件號 最近的零配件號 描述
2 1 汽缸蓋
3 CV7699 6 CV20814 氣門座圈
3 CV14128 1 CV21069 氣門座圈
4 OE43633 6 CV20815 氣門座圈
4 OE47574 1 CV21070 氣門座圈
5 OE47572 6 OE47572 氣門導管
6 OE47573 6 OE47573 氣門導管
8 OE43636 6 OE43636 氣門導管
9 ST20701 1 ST20701 堵塞
10 ST43322 9 ST43322 堵塞
11 ST43309 3 ST43309 堵塞
12 ST43317 10 ST43317 堵塞
20 CV19679 3 CV19679 鎖定板
21 2314 J003 3 2314 J003 固定螺釘
22 ST43161 3 2134 A010 彈簧塾圈
23 ST43057 3 2131 A010 墊圈
24 CV19681 3 CV19681 套筒
25 ST10609 3 ST10609 密封O型圈
Item Parts No. Qty. Latest Part No. Description Cut Out Cut In Comment
3 CV20814 6 CV20814 VALVE SEAT INSERT
3 CV21069 1 CV21069 INSERT
5 OE47572 6 OE47572 VALVE GUIDE
6 OE47573 6 OE47573 VALVE GUIDE
17 CV14134 3 CV14134 SLEEVE
18 OE43636 6 OE43636 VALVE GUIDE
19 ST20701 1 ST20701 PLUG
20 ST43322 9 ST43322 PLUG
21 ST43309 3 ST43309 PLUG
22 ST43317 10 ST43317 PLUG

溫馨提示
我司建立了一套完整的英國Perkins零配件供應體系,全天候快速響應,純正的Perkins配件是您最佳的選擇,因為您所得到的是延長Perkins動力系統壽命的最佳保證。
網頁中公布的Perkins發動機配件號與圖片僅為參考,因 Perkins動力系統零配件型號與技術參數太多,沒能全部展示,如有配件與維修技術資料方面的需求,請與本司的在線客服溝通與交流,希望我們能夠幫您節約更多等待備件時間和維修技術方面的困難。
特別聲明:我司只銷售Perkins原廠配件,需付廠或防品件請繞道,謝謝。