珀金斯渦輪增壓器
項目 零配件號碼 最近的部分號碼
1 3777 C063 1 3777 C063 進氣岐管
2 3681 V006 1 3681 V011I 密合墊 - IND 的岐管
3 0746019 4 0746019 螺旋
4 0920052 5 0920052 墊圈
5 0746054 2 0746054 螺旋
6 0920052 2 0920052 墊圈
7 3688 C009 2 3688 C009 密合墊 - 排出岐管
8 3688 A005 1 3688 A005 間隔器
9 32521111 2 32521111 圖釘
10 2188135 2 2188135 螺帽
11 0920054 2 0920054 墊圈
12 32516111 1 32516111 圖釘
13 2188134 1 2188134 螺帽
14 0920003 1 0920003 墊圈
15 32514112 3 32514112 圖釘
16 2188134 4 2188134 螺帽
17 0920003 4 0920003 墊圈
18 3778 C003 1 3778 C003 排出岐管
19 2172518 1 2172518 螺旋

項目 零配件號碼 最近的部分號碼
1 3763 F002 1 3763 F002 氣管
2 32114451 1 32114451 栓塞
3 33824122 1 33824122 連接
4 21825200 1 21825194 夾
5 21825200 1 21825194 夾
6 3383 E003 1 3383 E003 水管
7 21825199 1 21825199 夾
8 21825199 1 21825199 夾
9 3571 D007 1 3571 D007 油管
10 3665 K003 1 3665 K003 夾
11 36832138 1 36832138 密合墊
12 2314 H002 2 2314 H002 螺旋
14 2233104 1 0748353 螺旋
14 2233105 1 2233105 螺旋
15 0920002 1 0920002 墊圈
16 0920811 1 0920811 墊圈
17 3571 M002 1 3571 M002 油管
18 3683 D006 1 3683 D006 密合墊
19 2314 H002 2 2314 H002 螺旋
22 33851126 1 水管
23 21825195 1 21825195 夾
24 21825195 1 21825195 夾
25 3427 N001 1 3427 N001 油管
26 0576118 1 0576118 螺帽
27 0566009 1 0566009 橄欖
28 2441323 1 2441323 肘管
29 1 接合
30 0826403 3 0826403 圖釘
31 2188135 4 2188135 螺帽
32 0920004 4 0920004 墊圈
36 0206008 1 0206008 管套節
37 0576116 1 0576116 螺帽
38 0566007 1 0566007 橄欖
39 0826495 1 0826495 圖釘

項目 零配件號碼 最近的部分號碼
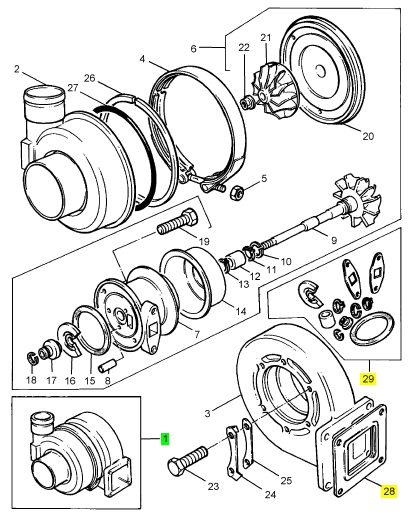
1 2674 A152 1 2674 A152 渦輪增壓器
(1) 2674 A152P 1 2674 A152R 渦輪增壓器 -交換
28 36885008 1 36885008 密合墊 -渦輪增壓器
29 28730811 1 28730811 修補裝備 -渦輪增壓器

項目 零配件號碼 最近的部分號碼
7 28730815 1 28730815 殼
9 28730798 1 28730798 橋
10 1 活塞環
11 1 CIRCLIP
12 1 橋承
13 1 CIRCLIP
14 1 復緣
15 1 O 圈
16 1 橋承
17 1 橋環
18 1 活塞環
19 4 螺旋
20 1 蓋
21 28730816 1 28730816 動葉輪
22 1 鎖緊螺母

項目 零配件號碼 最近的部分號碼
1 U5LB1111 1 U5LB1157 底接合及密合墊裝備
2 41424233 1 21826370 密合墊 -油底殼
3 3681 P026 1 3681 P026 密合墊 - 正時安排的箱蓋
3 41424233 1 21826370 密合墊 -油底殼
4 3685 R007 1 3685 R007 密合墊 - 提升泵
4 36851123 1 3685 R007 密合墊 - 提升泵
5 33826115 1 33826115 密合墊
6 0490636 1 0490636 密合墊 - 水的泵
7 3682 A009 1 3682 A009 密合墊 - 水的泵
7 36861118 1 3682 A009 密合墊 - 水的泵
8 36862241 1 36862241 密合墊
9 36813161 1 36813161 密合墊 - 濾油器的冒口
10 3686 J003 1 3686 J003 密合墊 - 水的連接
11 3687 H017 1 3687 H017 密合墊 - 燃料的 INJ 泵
12 36814161 1 36814161 密合墊 - 正時安排的箱
13 36862605 1 36862605 密合墊
14 36862572 1 36862572 密合墊
15 3688 V002 1 密封 -油底殼
16 3688 V003 1 密封 -油底殼
17 2415608 2 2415608 密封 - O 的圈
18 36837415 1 36837415 密合墊

項目 零配件號碼 最近的部分號碼
1 2641 A063 1 ULPK0006 提升泵 U635848G
1 2641808 1 ULPK0004 提升泵 U635849G
11 2217101 2 2217101 圖釘 13/12/89
12 33221115 2 33221115 螺帽 U635848G
13 33114412 2 33114412 墊圈 U635848G
14 32114451 2 32114451 栓塞
22 3685 R008 1 3685 R007 密合墊 - 提升泵 U635849G
26 2217139 2 2217139 圖釘 13/12/89 U635849G
27 26412003 1 26412003 修補裝備 - 提升泵 U635848G
28 2182428 4 2182428 螺旋 14/12/89

項目 零配件號碼 最近的部分號碼
5 32726528 1 32726528 螺紋接管
6 2231226 1 2231226 螺旋
7 0920024 1 0920024 墊圈
8 0610042 1 0610042 銷
