卡特彼勒柴油發動機保養維護

4、只有符合Caterpillar ECF-1的CG-4和CI-4才可以使用,否則會減少發動機使用壽命。
直噴式柴油機用潤滑油的粘度推薦
|
粘度 |
最低 |
最高 |
|
SAE 0W20 |
-40℃ |
10℃ |
|
SAE 0W30 |
-40℃ |
30℃ |
|
SAE 0W40 |
-40℃ |
40℃ |
|
SAE 5W30 |
-30℃ |
30℃ |
|
SAE 5W40 |
-30℃ |
40℃ |
|
SAE 10W30 |
-20℃ |
40℃ |
|
SAE 15W40 |
-15℃ |
50℃ |
二次潤滑油添加劑
卡特彼勒不提倡向潤滑油中加入二次潤滑油添加劑。 向成品油中加入二次潤滑油添加劑,通常不能達到延長發動機使用壽命和提高發動機作業性能的目的。 如果向成品潤滑油中加入二次潤滑油添加劑,由于目前還沒有一套用來評定這種混合油使用性能的試驗方法,因此發動機作業性能將不能得到有效保證。另外二次潤滑油添加劑可能與原潤滑油內的添加劑不相容,這樣潤滑油的使用性能將會降低。如果二次潤滑油不能與原潤滑油混合的話,還易在曲軸箱中形成油泥。因此,卡特彼勒公司不主張向成品潤滑油中加入二次潤滑油添加劑。潤滑油定期抽樣分析
卡特彼勒建議用戶采用潤滑油定期抽樣分析程序來檢查設備的作業性能和維護狀況。潤滑油定期抽樣分析程序應做為定期維護的一部分。 機件磨損程度分析,確定發動機的磨損程度是否處在允許范圍內。 潤滑油的抽樣分析也可用于檢測潤滑油中混入的水、乙二醇或燃油污染物。 潤滑油油樣分析可用于檢測潤滑油是否變質。 油樣分析結果可做為制定發動機換油周期的依據。另外,還可根據分析結果,在不影響發動機使用性能的情況下適當延長發動機的換油周期。S.O.S 油樣分析
檢測發動機機油內金屬屑。 測試機油被水、乙二醇、燃油污染情況 油樣分析測定了機油的潤滑性能是否喪失。
發動機換油周期
注:如果發動機的作業條件和發動機中所使用的多級潤滑油可滿足使用要求,發動機機油的換油周期通常為500小時;如果不能滿足上述要求,應將發動機機油的換油周期縮短至250小時,或根據發動機油樣的定期抽樣分析結果來確定發動機機油的換油周期。|
工業發動機(1)的換油周期 | ||||
|
多級潤滑油 |
正常作業工況(2) |
重載作業工況(燃油消耗量大于34L/h)(3) |
惡劣作業工況 | |
|
燃油含硫量為0.3% ~ 0.5% (4) |
作業海拔超過1830m | |||
|
Cat DEO |
500h |
500h |
500h |
250h(7) |
|
API CH-4 |
500h |
500h |
500h |
250h(7) |
|
API CH-4 |
500h |
500h |
250h(6) |
250h(7) |
|
API CG-4 |
250h |
, 250h(6) |
250h(6) |
250h(7) |
|
API CF-4 |
250h(6) |
250h(7) |
250h(7) |
250h(7) |
冷卻水
不要使用沒有節溫器的發動機。節溫器可以使發動機工作在合適的水溫下,沒有節溫器會導致很多冷卻系統的故障發生。 所有的CAT發動機都配備有空-空中冷器 (ATAAC),要求最少30%的乙二醇的比例,以防止水泵穴蝕。 不能使用沒有添加補冷劑和防腐劑的純水作為冷卻水。純水不僅具有腐蝕性而且也不能提供足夠的保護于沸騰和冰凍。 冷卻水通常由三部分組成:水、添加劑和乙二醇。添加劑
添加劑主要用于保護冷卻系統水道表面不被損壞。如果冷卻系統中未使用添加劑或添加劑含量偏低,將會造成以下損壞:
水道表面腐蝕 礦物質沉積 水道表面銹蝕 冷卻水積垢 缸套穴蝕 冷卻水起泡在使用過程中,冷卻水添加劑會被不斷地消耗,其濃度也會隨之降低,因此應定期向發動機內加入補充用冷卻水添加劑(補冷劑)或向長效冷卻液中加入長效冷卻水延長劑(長效劑)來保證冷卻水添加劑的濃度。
添加劑的濃度應合適。如果添加劑濃度過高,防銹劑會從溶液中析出,并造成以下問題:
冷卻水內結膠 導熱性能降低 水泵密封圈泄漏 散熱器、冷卻器和水管路堵塞乙二醇
冷卻液中的乙二醇主要用于提高冷卻水的沸點、降低冷卻水的冰點和防止水泵和缸套穴蝕。 冷卻水應與乙二醇按照1:1的比例混合。 注:乙二醇的濃度應能滿足最低環境溫度下的使用要求。 注:純乙二醇(乙二醇含量為100%)溶液的冰點為-23℃(-9°F)。冷卻系統
1、加水前,應使發動機完全冷卻下來,以免發動機機件損壞。 2、如果發動機的存放溫度低于0℃,應對冷卻系統進行防凍處理,或排空冷卻系統內的冷卻水。 3、在寒冷地區作業時,應經常對冷卻水的比重進行檢查,以保證防凍液的含量可滿足使用要求。 4、如果加水速率高于20L/min,易造成冷卻系統內出現氣塞。 5、在未安裝節溫器的情況下,不能起動發動機。節溫器主要用于保持正常的冷卻水溫度。 6、對于采用空-空中冷裝置的卡特彼勒柴油發動,冷卻水內的乙二醇含量不應低于30%,以防止水泵穴蝕。 7、冷卻系統內不能使用純水(不含補冷劑或防銹劑)。在正常作業溫度下,純水具有一定的腐蝕性。另外純水的沸點和凝點也不能滿足使用要求。 冷卻水通常由三部分組成:水、添加劑和乙二醇。 建議使用蒸餾水或去離子水。 冷卻系統內不得使用:硬水、鹽水和海水 。|
冷卻液類型 |
使用期限 |
|
卡特彼勒長效冷卻液 |
6000工作小時或6年 |
|
卡特彼勒柴油機防凍液 |
3000工作小時或3年 |
|
符合“ASTM D5345”試驗標準的商用重型冷卻液/防凍劑 |
3000工作小時或2年 |
|
符合“ASTM D4985”試驗標準的商用重型冷卻液/防凍劑 |
3000工作小時或1年 |
|
卡特彼勒補冷劑和水 |
3000工作小時或2年 |
|
商用補冷劑和水 |
3000工作小時或1年 |
保養周期表
需要時
蓄電池-更換 蓄電池或電瓶線-斷開 空濾芯-清潔/更換 發動機(貯存)-檢查 燃油系統-泵油日常保養檢查
冷卻液位-檢查 空濾器堵塞指示器-檢查 空氣預濾器-檢查/清潔 機油油位-檢查 油水分離器內的積水-排放 燃油箱內水和沉淀物-排放 例行檢查保養周期表
最初250工作小時(或第一次更換機油)
發動機氣門-檢查/調整每250工作小時
冷卻液添加劑-測試/添加 機油和機油濾-更換 啟動馬達-檢查最初500工作小時
冷卻液抽樣檢查每500工作小時(深油底殼)
機油和機油濾-更換每年
冷卻液抽樣檢查每3000工作小時或3年
冷卻液(DEAC)-更換 冷卻液(ELC)添加劑-添加 節溫器-更換 發動機保護裝置-檢查每8000工作小時或3年
驅動設備-檢查每12000工作小時或6年
冷卻液(ELC)-更換每一次發動機燃油消耗量達到14400L或250工作小時或1年
蓄電池電解液-檢查 電氣系統接地螺栓-檢查/清潔/緊固 曲軸箱透氣孔-清潔 機油抽樣檢查 燃油粗濾器-更換 燃油細濾器-更換 軟管和卡箍-檢查/更換 水散熱器-清潔每一次發動機燃油消耗量達到114000L或3000工作小時
中冷器芯-清潔/測試每一次發動機燃油消耗量達到170400L或3000工作小時
曲軸減振器-檢查 噴油器-檢查/調整 發動機-清潔 發動機安裝-檢查 發動機轉速/正時傳感器-檢查/清潔/校準 發動機氣門-檢查/調整 風扇驅動軸承加注潤滑油每一次發動機燃油消耗量達到380000L或10000工作小時
考慮檢修檢修
風扇驅動軸承-更換發動機機油位檢查
注:發動機機油油位的檢查只能在發動機停機的情況下進行。 注意:如果機油油位高于油標尺“FULL”標記,曲軸將被浸入機油油面以下。這將造成發動機功率下降和引起空氣混入機油內,即機油起泡,并對機油的潤滑能力和機油對活塞的冷卻能力造成影響。另外,還會造成曲軸箱呼吸器噴油和機油油耗過量。

空濾器濾芯的維護
注意:空濾器主要用于防止空氣中的雜質進入發動機進氣系統,因此在未安裝空濾器濾芯或空濾器濾芯損壞的情況下嚴禁起動發動機。如果濾芯表面出現褶皺或是濾芯密封墊或密封圈損壞,應立即更換濾芯。 每日應對一級濾清器內的集塵進行檢查。必要時,應除去濾清器內的灰塵兩級空濾器包括一級濾芯和二級濾芯。在正常的使用和維護條件下,一級濾芯最多可被清洗六次;但不論清洗次數多少,每年至少應對一級空濾器濾芯進行一次更換。二級濾芯是不能被清洗的。一般在一級濾芯被清洗了三次后需要對二級濾芯進行更換。

節溫器的更換
如果節溫器不能完全開啟,則會造成發動機過熱或過冷;如果節溫器不能開啟,會引起發動機過熱、缸蓋破裂以及拉缸等問題。 如果節溫器在全開位置上卡死,這樣當發動機在部分載荷下作用時,會造成發動機水溫低,從而導致氣缸內積碳過量,以及活塞環和缸套磨損加劇等問題。 注意:應定期更換節溫器,以免發動機出現重大損壞。發電機皮帶的調整
每3個月應對發動機傳動皮帶進行一次檢查。如果發動機傳動皮帶出現磨損或損壞,應對發動機傳動皮帶進行更換。 檢查皮帶張力時,可在兩皮帶輪中間位置施加110N的作用力,正常情況下,皮帶應偏移5~15mm。

風扇皮帶的調整

扭轉減振器的檢查
如果曲軸上的扭轉減振器損壞,會造成曲軸扭轉振動加劇,從而引起曲軸或其它發動機部件的損壞。
出現下列情況之一應立即維修或更換:
減振器彎折,破損或有油漏 減振器上的油漆受熱變色 曲軸損壞,造成發動機故障 對油的分析顯示前軸承嚴重磨損 不是由于油量過少引起的齒輪大量磨損
缸蓋接地螺栓檢查
每次更換機油時,應對缸蓋接地螺釘進行緊固。所有接地導線表面應無銹蝕,并且其連接應緊固。 清洗缸蓋接地螺釘和缸蓋接地導線的接線端頭。 如果接線端頭表面銹蝕,應用蘇打水進行清洗。 待缸蓋接地螺釘和接地導線吹干后,用鋰基潤滑脂或凡士林進行潤滑。
發動機氣門間隙檢查和調整
對于新制和大修過的發動機,由于氣門與氣門座之間的磨合,在首次換油對氣門間隙進行調整。卡特彼勒柴油發動機,卡特彼勒柴油發動機維修保養維護,卡特彼勒柴油發動機維修保養維護技術,卡特彼勒柴油發動機維修保養維護服務商. 為有效延長發動機的使用壽命,發動機氣門間隙的檢查和調整應做為發動機潤滑和預防性維護保養的一個維護項目 如果發動機氣門間隙調整不當,則會大大降低發動機的作業效率,同時還會使發動機燃油消耗量增加和減少發動機的使用壽命。
A-進氣門 B-排氣門
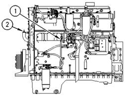
尋找一缸上止點
1:正時螺栓 2:堵頭(正時螺栓安裝位置) 3:蓋板(盤車工具安裝位置) 用盤車工具逆時針(從飛輪端看)盤動發動機直到正時螺栓插入飛輪的螺紋 拆掉氣門室罩蓋,用手搖動進排氣的搖臂,如果都能搖動,則是一缸上止點,否則拆掉正時螺栓,按同樣的方向再盤車360度,重新插入正時螺栓,這時用手搖動進排氣的搖臂,一定都能搖動,這就是一缸上止點

氣門間隙和噴油正時的調整
盤車到一缸壓縮上止點,調整第1,2,4缸進氣門和1,3,5缸排氣門的間隙;檢查第3,5,6缸的噴油器正時,不在下表范圍內的則進行調整 盤車到一缸排氣上止點,調整第3,5,6缸進氣門和2,4,6缸排氣門的間隙;檢查第1,2,4缸的噴油器正時,不在下表范圍內的則進行調整 重復上面兩步,核查一遍,將氣門的調整螺栓的鎖緊螺母鎖緊到22+-5磅英尺,將噴油器的調整螺栓的鎖緊螺母鎖緊到74+-7磅英尺 注意:一定要等發動機完全冷卻后才可進行上述調整